Osnovne informacije
- Vrsta ponudbe
- Prodam
- Lokacija
- Osrednjeslovenska, Ljubljana Moste Polje, Polje
- Stanje
- rabljeno
Opis oglasa
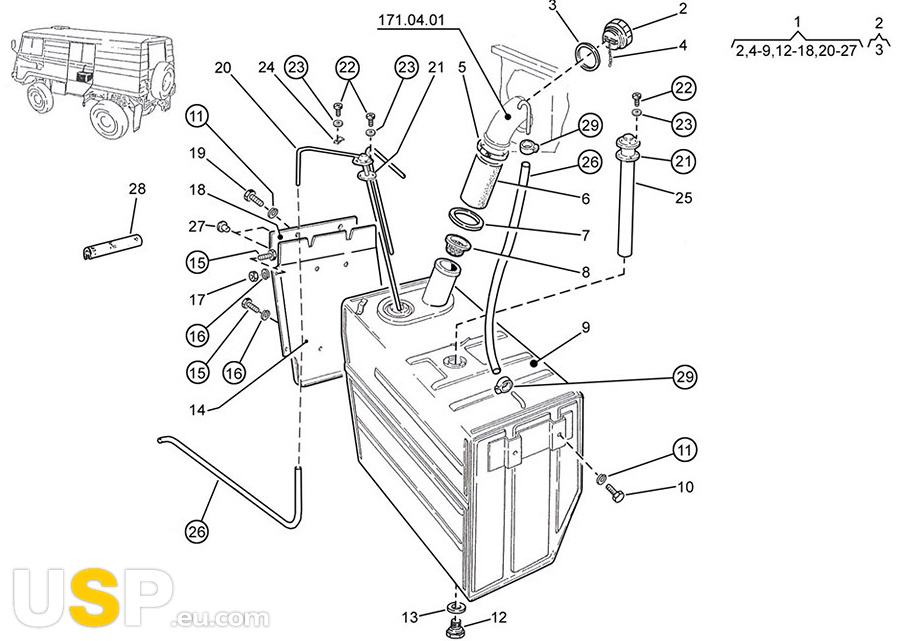
Številka 7 na sliki.Tesnilo za olje je komponenta, ki se uporablja za filtriranje olja v motorju. Oljni filter zagotavlja, da se olje čisti in preprečuje nakopiščanje nečistoč, kar podaljša življenjsko dobo motorja. Tesnilo za olje je bistveno za vzdrževanje optimalne delovanja motorja in preprečevanje poškodb.
Kataloške številke:
- 7111670371, ...
Kataloške številke:
- 7111670371, ...
Spletna povezava
Zemljevid
Opomba: prikaže se približna lokacija vašega oglasa
USP d.o.o.
Vsi oglasi te trgovine
Uporabnik je telefonsko številko preveril v državi Slovenija
- Naslov: Podgrajska cesta 15, 1000 Ljubljana, Osrednjeslovenska, Slovenija
- URL: https://usp.si
- E-pošta: info@usp.si
-
- Oglas je objavljen
- 15.07.2020. ob 11:07
- Do poteka še
- do prodaje
- Oglas je prikazan
- 78 -krat
USP d.o.o.
Vsi oglasi te trgovine
Uporabnik je telefonsko številko preveril v državi Slovenija
- Naslov: Podgrajska cesta 15, 1000 Ljubljana, Osrednjeslovenska, Slovenija
- URL: https://usp.si
- E-pošta: info@usp.si
-
