Osnovne informacije
- Vrsta ponudbe
- Prodam
- Lokacija
- Podravska, Maribor, Pobrežje
- Stanje
- novo
Opis oglasa
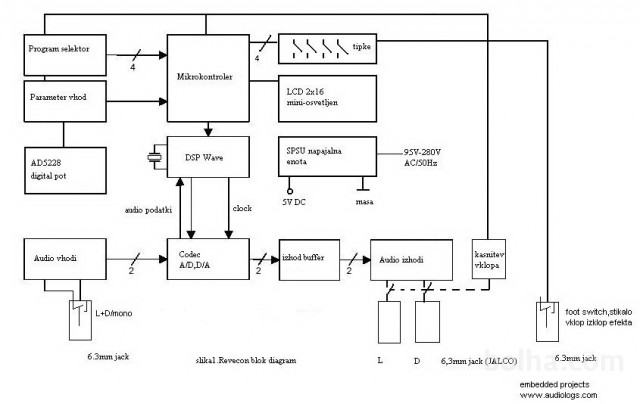
Revecon ali reverb controller je efekt uporaben kot dodatek za vokale,instrumente in druge zvokovne aplikacije.
Značilnosti:
• Nizka cena,visoka kvaliteta,digitalni multi-efekti
• Super kvaliteta zvoka,kasnitev vklopa (ni pokov),clip indikator
• 16 vgrajenih efektov Reverb, Delay, Chorus, Flanger in kombinirani
Efekt programi:
• 24-bit, 96-kHz ADC/DAC
• (L+Dmono vhod), stereo izhod,tipka za vklop-izklop
• Mala poraba,priložen adapter
• RoHS compliant standard,brez svinca
Aplikacije:
• Električne in akustične kitare,bas ojačevalci,synth ojačevalci
• Mešalne konzole,DJ mixerji,Močnostne mešalne konzole
• Digitalni klavirji,Električni klavirji,kombinirani klavirji
• Prenosni PA sistemi
• Vokal,govorni in karaoke sistemi
Uporaba:
Revecon ali reverb controller je efekt uporaben kot dodatek za vokale,instrumente in druge zvokovne aplikacije.
Uporaben je tudi kot dodatek za kitarske ojačevalce predvsem pa kot v send-return vezavi za mešalne in prenosne
PA sisteme.Priključitev je enostavna en mono vhod v funkciji L+D,drug vtikač je stikalo za vklop efekta.
Dva izhoda (stereo) L in D še posebej pomembno v programih delay in kombiniranih programih.Obsega 16 DSP
programov,ki so prikazani v tabeli v naslednjih poglavjih. Pri vsakeh efektu je možno spreminjanje parametra trajanja
pri reverb,room,plate programih in hitrost-ponavljanje in obseg ponavljanja pri delay programu in kombinaciji.Zadnji
izbran efekt se shrani in ostane v epromu tudi ob izklopu efekta,kakor tudi izbran nivo parametra.
Med premikanje po meniju za izbor efektov je možen tudi preskok efektov ne glede na njihovo zaporednje v času 3-4
sekund;efekt utripa,ko se utripanje ustavi imamo željen efekt.
Indikator za previsok nivo avdio signala je zadnji karakter v spodnji vrstici LCD-ja in sicer kadar je več kot +6dB.
Opis:
Revecon multi efekt vsebuje: Hall, Room, Plate, Delays, Choruses, Nonlinear Reverb and Rotary speaker.
Teorija delovanja in uporaba:
DRE(Digital Reverb Engine) DSP arhitektura:
-DigIn/DigOut interface
-16 x 128 location Program ROM
-128 location Instruction (Writable Control Store - WCS) RAM
-32768 location Data RAM
-Data RAM address generator
-4 independent Low Frequency Oscillators (LFOs)
-Multiply/Accumulate (MAC) unit
-Instruction decoding and program control unit
-Microprocessor interface
-Clock generator
Made in Slovenia,slovenski razvoj.
http://audiologs.com/Revecon2016/
http://www.audiologs.com/soc/REVECONpro.html
http://audiologs.com/revecon/Revecon_guide_ultimate-en.pdf
Značilnosti:
• Nizka cena,visoka kvaliteta,digitalni multi-efekti
• Super kvaliteta zvoka,kasnitev vklopa (ni pokov),clip indikator
• 16 vgrajenih efektov Reverb, Delay, Chorus, Flanger in kombinirani
Efekt programi:
• 24-bit, 96-kHz ADC/DAC
• (L+Dmono vhod), stereo izhod,tipka za vklop-izklop
• Mala poraba,priložen adapter
• RoHS compliant standard,brez svinca
Aplikacije:
• Električne in akustične kitare,bas ojačevalci,synth ojačevalci
• Mešalne konzole,DJ mixerji,Močnostne mešalne konzole
• Digitalni klavirji,Električni klavirji,kombinirani klavirji
• Prenosni PA sistemi
• Vokal,govorni in karaoke sistemi
Uporaba:
Revecon ali reverb controller je efekt uporaben kot dodatek za vokale,instrumente in druge zvokovne aplikacije.
Uporaben je tudi kot dodatek za kitarske ojačevalce predvsem pa kot v send-return vezavi za mešalne in prenosne
PA sisteme.Priključitev je enostavna en mono vhod v funkciji L+D,drug vtikač je stikalo za vklop efekta.
Dva izhoda (stereo) L in D še posebej pomembno v programih delay in kombiniranih programih.Obsega 16 DSP
programov,ki so prikazani v tabeli v naslednjih poglavjih. Pri vsakeh efektu je možno spreminjanje parametra trajanja
pri reverb,room,plate programih in hitrost-ponavljanje in obseg ponavljanja pri delay programu in kombinaciji.Zadnji
izbran efekt se shrani in ostane v epromu tudi ob izklopu efekta,kakor tudi izbran nivo parametra.
Med premikanje po meniju za izbor efektov je možen tudi preskok efektov ne glede na njihovo zaporednje v času 3-4
sekund;efekt utripa,ko se utripanje ustavi imamo željen efekt.
Indikator za previsok nivo avdio signala je zadnji karakter v spodnji vrstici LCD-ja in sicer kadar je več kot +6dB.
Opis:
Revecon multi efekt vsebuje: Hall, Room, Plate, Delays, Choruses, Nonlinear Reverb and Rotary speaker.
Teorija delovanja in uporaba:
DRE(Digital Reverb Engine) DSP arhitektura:
-DigIn/DigOut interface
-16 x 128 location Program ROM
-128 location Instruction (Writable Control Store - WCS) RAM
-32768 location Data RAM
-Data RAM address generator
-4 independent Low Frequency Oscillators (LFOs)
-Multiply/Accumulate (MAC) unit
-Instruction decoding and program control unit
-Microprocessor interface
-Clock generator
Made in Slovenia,slovenski razvoj.
http://audiologs.com/Revecon2016/
http://www.audiologs.com/soc/REVECONpro.html
http://audiologs.com/revecon/Revecon_guide_ultimate-en.pdf
Zemljevid
Opomba: prikaže se približna lokacija vašega oglasa
milek001
Vsi oglasi tega oglaševalca
Uporabnik je telefonsko številko preveril v državi Slovenija
Uporabnik ni trgovec in zanj ne veljajo določbe EU o varstvu potrošnikov.
- Naslov: 2000 Maribor, Podravska, Slovenija
-
- Oglas je objavljen
- 29.04.2026. ob 17:16
- Do poteka še
- Oglas je prikazan
- 5870 -krat
milek001
Vsi oglasi tega oglaševalca
Uporabnik je telefonsko številko preveril v državi Slovenija
Uporabnik ni trgovec in zanj ne veljajo določbe EU o varstvu potrošnikov.
- Naslov: 2000 Maribor, Podravska, Slovenija
-







