Osnovne informacije
- Vrsta ponudbe
- Prodam
- Lokacija
- Obalno-kraška, Koper, Kolomban
- Stanje
- rabljeno
Opis oglasa
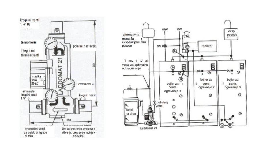
Z medeninstimi holandci in krogličnimi zapornimi ventili.
Slojevitost toplote* v akumulatorju je predpostavka za udobno in
funkcionalno kurjenje z drvmi.
Za nastajanje slojevitosti je odlocilnega pomena pravilna izvedba
prikljuckov med kotlom in akumulatorjem. Laddomat 21 je
kompletna enota, ki olajša varne prikljucke.
Z Laddomatom 21 kotel hitro doseže želeno delovno temperaturo. Laddomat 21 polni akumula-
tor z nizkim pretokom. S tem je v akumulatorju zagotovljena optimalna slojevitost.
V koncni grelni fazi Laddomat 21 zaradi posebnega termicnega ventila, ki popolnoma zapre
izhodni bypass, zagotavlja najprimernejše polnjenje akumulatorja.
Po kurjenje Laddomat 21 izkorišca preostalo toploto v kotlu in žerjavico tako, da vroca voda v
zgornjem delu kotla zaradi samodejne cirkulacije prehaja v akumulator .
Pri izpadu elektricnega toka ali pri motnjah v delovanju crpalke Laddomat 21 s samodejno
cirkulacijo avtomaticno požene polnjenje akumulatorja.
* "Slojevitost toplote" = Jasna horizontalna meja med toplo vodo in pod njo ležeco hladnejšo
in s tem težjo vodo.
Kadar ni gretja, ni povratne cirkulacije = majhne toplotne izgube.
Enostavno dimenzioniranje, Laddomat 21 je primeren za vse kotle za ogrevanje do 89 kW.
Konstrukcija Laddomata 21 je enostavna z velikimi tesnilnimi površinami, kar olajša montažo.
Z zapiranjem ventilov je vzdrževanje možno brez praznjenja sistema.
Premer ventilov je posebno velik, da zadošcajo najvecji potrebi po pretoku v koncni fazi in pri
samodejni cirkulaciji.
3 termometri zagotavljajo popolno kontrolo polnilnega postopka.
Majhne zunanje mere.
Možno obracanje – tri termometre je treba montirati samo na eni strani. Vse je lahko dosegljivo.
Najpogostejši vzrok za motnje v delovanju je zrak, ki preprecuje cirkulacijo.
Z enostavnim cevnim sistemom, kot je prikazano na sosednji shemi, zrak lahko samodejno
uhaja.
Velike dimenzije cevi in kratke zacevitve zagotavljajo delovanje tudi takrat, ko je potreba po
toploto v hiši najvecja. Skrbijo tudi za ucinkovito samodejno cirkulacijo v primeru izpada el. toka.
Pri do treh akumulatorjih kotel za ogrevanje in mešalni ventil povežemo diagonalno (A – A , B –
B), da zagotovimo enakomerno porazdelitev toplote od in do akumulatorjev.
Nov stane 389eur, prodam za 139eur.
Demontiran prejsnji teden, deluje odlicno. Demontiran zaradi prehoda na drug nacin ogrevanja.
Slojevitost toplote* v akumulatorju je predpostavka za udobno in
funkcionalno kurjenje z drvmi.
Za nastajanje slojevitosti je odlocilnega pomena pravilna izvedba
prikljuckov med kotlom in akumulatorjem. Laddomat 21 je
kompletna enota, ki olajša varne prikljucke.
Z Laddomatom 21 kotel hitro doseže želeno delovno temperaturo. Laddomat 21 polni akumula-
tor z nizkim pretokom. S tem je v akumulatorju zagotovljena optimalna slojevitost.
V koncni grelni fazi Laddomat 21 zaradi posebnega termicnega ventila, ki popolnoma zapre
izhodni bypass, zagotavlja najprimernejše polnjenje akumulatorja.
Po kurjenje Laddomat 21 izkorišca preostalo toploto v kotlu in žerjavico tako, da vroca voda v
zgornjem delu kotla zaradi samodejne cirkulacije prehaja v akumulator .
Pri izpadu elektricnega toka ali pri motnjah v delovanju crpalke Laddomat 21 s samodejno
cirkulacijo avtomaticno požene polnjenje akumulatorja.
* "Slojevitost toplote" = Jasna horizontalna meja med toplo vodo in pod njo ležeco hladnejšo
in s tem težjo vodo.
Kadar ni gretja, ni povratne cirkulacije = majhne toplotne izgube.
Enostavno dimenzioniranje, Laddomat 21 je primeren za vse kotle za ogrevanje do 89 kW.
Konstrukcija Laddomata 21 je enostavna z velikimi tesnilnimi površinami, kar olajša montažo.
Z zapiranjem ventilov je vzdrževanje možno brez praznjenja sistema.
Premer ventilov je posebno velik, da zadošcajo najvecji potrebi po pretoku v koncni fazi in pri
samodejni cirkulaciji.
3 termometri zagotavljajo popolno kontrolo polnilnega postopka.
Majhne zunanje mere.
Možno obracanje – tri termometre je treba montirati samo na eni strani. Vse je lahko dosegljivo.
Najpogostejši vzrok za motnje v delovanju je zrak, ki preprecuje cirkulacijo.
Z enostavnim cevnim sistemom, kot je prikazano na sosednji shemi, zrak lahko samodejno
uhaja.
Velike dimenzije cevi in kratke zacevitve zagotavljajo delovanje tudi takrat, ko je potreba po
toploto v hiši najvecja. Skrbijo tudi za ucinkovito samodejno cirkulacijo v primeru izpada el. toka.
Pri do treh akumulatorjih kotel za ogrevanje in mešalni ventil povežemo diagonalno (A – A , B –
B), da zagotovimo enakomerno porazdelitev toplote od in do akumulatorjev.
Nov stane 389eur, prodam za 139eur.
Demontiran prejsnji teden, deluje odlicno. Demontiran zaradi prehoda na drug nacin ogrevanja.
Zemljevid
Opomba: prikaže se približna lokacija vašega oglasa
valentin51
Vsi oglasi tega oglaševalca
Uporabnik je telefonsko številko preveril v državi Slovenija
Uporabnik ni trgovec in zanj ne veljajo določbe EU o varstvu potrošnikov.
- Naslov: 6280 Ankaran/Ancarano, Obalno-kraška, Slovenija
-
- Oglas je objavljen
- 11.11.2025. ob 19:43
- Do poteka še
- Oglas je prikazan
- 3373 -krat
valentin51
Vsi oglasi tega oglaševalca
Uporabnik je telefonsko številko preveril v državi Slovenija
Uporabnik ni trgovec in zanj ne veljajo določbe EU o varstvu potrošnikov.
- Naslov: 6280 Ankaran/Ancarano, Obalno-kraška, Slovenija
-







